.: motor & transmission coupler |
|
|
|
|
I'm not a believer in
directly mounting the motor to the
transmission so I made a hub that uses a
RAM spring damper/coupler.
The reason I use a damper is my concern
that minor motor pulsations would
resonate throughout the car and distract
from the effortless torque of an
electric motor. |
|
I was going to buy a hub and then
make the coupler that would bolt to the
hub, but at $350 for the hub, I decided
to just make it one piece. It was a
large chuck of steel (6 1/2" diameter x
6") but worked well. |
|
Other than the hub,
all the parts are from a RAM clutch disk
that I bought on ebay for $25.00. |
|
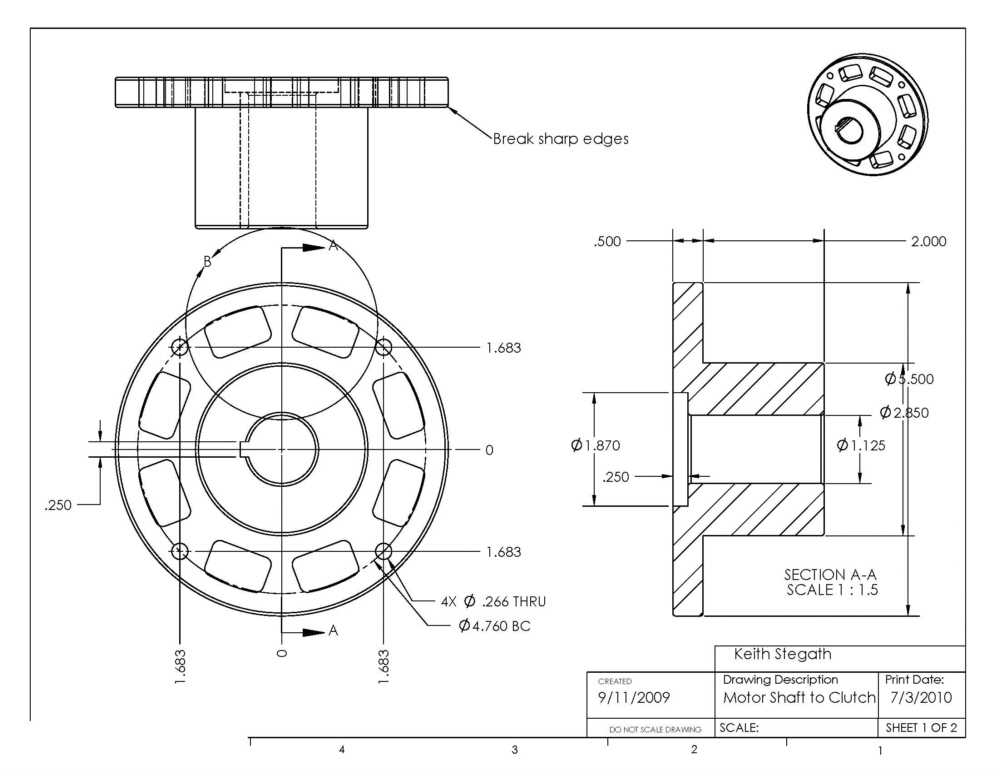
Here's the drawing of the hub. |
 |
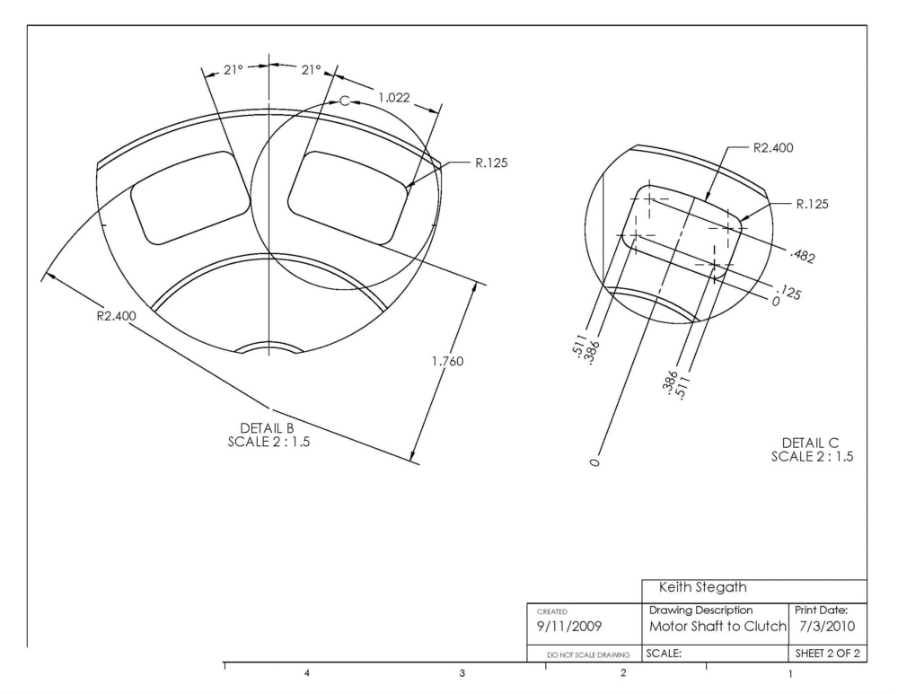
This is a detail of the
slots for the spring dampers. |
|
|
|
|
|
|
|
|
|
|
|
|
|
|
|
|
|